首页
关于我们
新闻中心
产品中心
应用领域
联系我们
CN
CN
EN
PRODUCTS
产品中心
首页
>>
产品中心
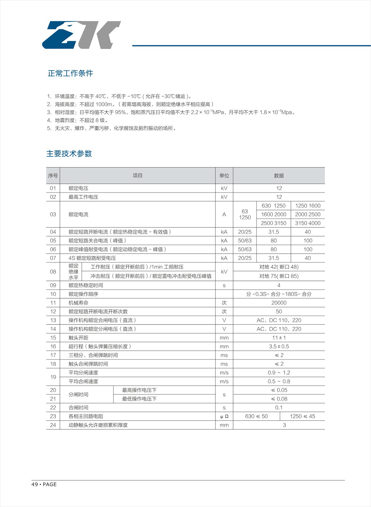
ZKVS1-12户内高压真空断路器/手车式